Skip to content
  • marketing-sales@tozen.com
  • +6327 116 4865
  • 0917 6271947
  • 0917 5692698
Linkedin
Logo Version 2
  • Home
  • About Us
  • Services
  • Products
  • Projects
  • Careers
  • Home
  • About Us
  • Services
  • Products
  • Projects
  • Careers
Contact Us

CHECK VALVE WAFER TYPE

cast-iron-1 cast-iron-2

CAST IRON DUAL DOOR CHECK VALVE

CDCV-WA Class 125 2″-24″

SPECIFICATION

FOR ANSI CLASS 125 FLANGE MOUNTING
FACE-TO-FACE DIMENSION TO ISO 5752-82

Share:
Inquire now
Download Brochure
PRESSURE / TEMPERATURE RATINGS
MATERIALS
DIMENSIONS
PRESSURE / TEMPERATURE RATINGS
Working Pressure 200psi (2″~24″)
150 psi (28″~32″)
Testing Pressure  Shell : 350 psi (2″~24″)
225 psi (28″~32″)
Seat : 220 psi (2″~24″)
165 psi (28″~32″)
Working Temperature 14˚F to 248˚F (EPDM Seat)
14˚F to 176˚F (NBR Seat)
Suitable Media Water, Oil & Gas
MATERIALS
Part Material ASTM
Body Cast Iron A126 Class B
Disc Ductile Iron
Aluminum Bronze
Stainless Steel 304
Stainless Steel 316
A536 Gr. 65-45-12
B148-97 C95400
A351 CF-8
A351 CF-8M
Spring Stainless Steel 316 S31600
Shaft Stainless Steel 316 S31600
Seal EPDM
NBR

Ductile Iron body available upon request.

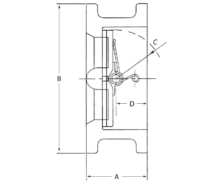
DIMENSIONS
Size
inch
A
inch
B
inch
C
inch
D
inch
2 1.7 4.1 1.1 0.8
2-1/2 1.8 4.8 1.4 0.8
3 2.5 5.3 1.7 1.1
4 2.5 6.8 2.1 1.1
5 2.8 7.6 2.5 1.2
6 3 8.7 3 1.2
8 3.5 10.9 4 1.3
10 4.5 13.3 5 2
12 4.5 16.1 5.9 1.7
14 5 17.7 6.8 1.8
16 5.5 20.4 7.8 2.1
18 6 21.5 8.6 2.3
20 6 23.8 9.5 2.3
24 7 28.1 11.7 2.9
28 9 31.5 14 3.6
32 9.5 36.6 16 4

*B = Outside diameter for ANSI class 125(2″~24″) & ANSI class 100(28″~32″) flange mounting.

Note:
1. JIS B2239 10K and other flange standards available upon request.
2. If used for gas application, please consult our sales office.
3. Design and specifications are subject to change without prior notice

Logo Version 2
  • Address (Manila office)
    Rey Marketing Compound, C. Raymundo, Barangay Rosario, Pasig City
  • Address (Cebu Office)
    Door No. 4, 7 Ymas Apt., FB Cabahug Street cor DB Neri, Brgy. Guizo, Mandaue City, Cebu 6014 Philippines
Follow Us:
Linkedin
quick links
  • Home
  • About Us
  • Services
  • Products
  • Projects
  • Careers
  • Contact Us
  • Privacy Policy
  • Terms & Conditions
Contact Details
  • Contact Number (Manila)
    +632 7116 4865
    0917 6271947
  • 0917 5692 698
  • Contact Number (Cebu)
    032-4021485
  • Email Address
    marketing-sales@tozen.com
  • tpi@tozen.com
  • admin_cebu@tozen.com
© Copyrights 2025 Tozen Philippines, Inc. All Rights Reserved.
Powered by: Web Designer Philippines
  • Home
  • About Us
  • Services
  • Products
  • Projects
  • Careers
Contact Us

Inquire Now